
Fiberglass High-Flow Sand Filter (Commercial Grade)
High-Flow Sand Filter - Commercial Grade Filtration Solution
Product Summary:
SENOTECH High-Flow Sand Filters are engineered for commercial and large-scale aquatic facilities requiring superior filtration capacity. Combining robust construction with advanced hydraulic design, these filters deliver exceptional performance while maintaining operational efficiency. Our high-flow series ensures crystal-clear water quality even under the most demanding conditions, making it the ideal choice for water parks, large commercial pools, and high-traffic aquatic centers.
Key Specifications:
Flow Rate: 50-282 m³/h
Working Pressure: 0.25 MPa (36 PSI)
Filtration Accuracy: 20-30 microns
Tank Material: Corrosion-resistant FRP
Valve System: Manual Control Valve
Available Models: TC1200 through TC3000
Technical Advantages:
1. Optimized Hydraulic Performance
Features precision-engineered lateral systems and enhanced flow distribution that maintain filtration efficiency at maximum flow rates. The advanced internal configuration minimizes pressure drop while ensuring uniform water distribution through the entire filter bed.
2. Commercial-Grade Construction
Heavy-duty FRP tanks are manufactured using automated winding technology, providing exceptional structural integrity and long-term durability. UV-resistant resin formulation protects against environmental degradation, ensuring reliable performance in outdoor installations.
3. Operational Efficiency
The high-flow design reduces system resistance, lowering energy consumption compared to multiple smaller units. Large filtration area extends backwash cycles, reducing water waste and maintenance frequency while maintaining consistent water clarity.
4. Professional Maintenance Features
Industrial-grade multiport valve with smooth operation and clear position indicators simplifies filter management. Oversized manway allows easy access for media replacement and internal inspection, reducing maintenance time and costs.
Applications:
Commercial swimming pools
Water parks and recreational facilities
Municipal aquatic centers
Large residential pool projects
Water feature filtration systems
Why Choose SENOTECH High-Flow:
Customizable configurations for specific project needs
Comprehensive technical support and documentation
Third-party certified performance data
Global spare parts availability
OEM manufacturing capabilities
For large-scale projects where reliability and performance are paramount, SENOTECH High-Flow Sand Filters provide the perfect balance of capacity, efficiency, and durability. Contact our technical team for custom sizing recommendations and project-specific solutions.
Specifications:
| Model | Size (inch/mm) | Inlet/Outlet (inch/mm) | Filtration Area (m²) | Flow Rate (m³/h) | Sand Quantity Fine/Coarse (kg) | Pool Volume (m³) |
| TC1200 | 48/1200 | 3.0"/90 | 1.13 | 50 | 700/300 | 270-360 |
| TC1400 | 56/1400 | 4.0"/110 | 1.54 | 68 | 1200/500 | 360-480 |
| TC1600 | 63/1600 | 4.0"/110 | 2.01 | 80 | 1850/750 | 480-640 |
| TC1800 | 71/1800 | 6.0"/160 | 2.54 | 101 | 2500/1050 | 640-800 |
| TC2000 | 79/2000 | 6.0"/160 | 3.14 | 125 | 3300/1150 | 800-1000 |
| TC2300 | 91/2300 | 8.0"/200 | 4.15 | 166 | 4900/1600 | 1000-1300 |
| TC2500 | 99/2500 | 8.0"/200 | 4.9 | 200 | 6000/2200 | 1400-1600 |
| TC3000 | 119/3000 | 8.0"/200 | 7.07 | 282 | 8600/3300 | 1600-2250 |

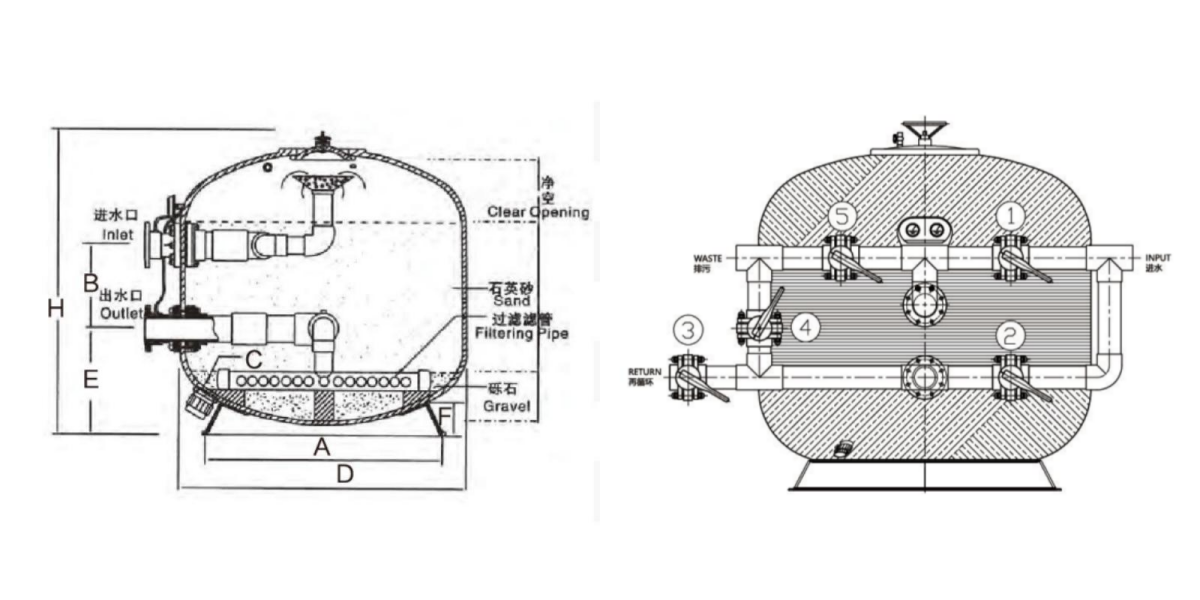
| Model | D (mm) | H (mm) | E (mm) | A (mm) | F (mm) | B (mm) | C (mm) |
| TC1200 | 1200 | 1400 | 520 | 870 | 165 | 340 | 60 |
| TC1400 | 1400 | 1600 | 650 | 1215 | 165 | 350 | 60 |
| TC1600 | 1600 | 1750 | 660 | 1450 | 215 | 450 | 60 |
| TC1800 | 1800 | 1950 | 750 | 1610 | 215 | 550 | 60 |
| TC2000 | 2000 | 2140 | 820 | 1610 | 240 | 550 | 60 |
| TC2300 | 2300 | 2350 | 940 | 2020 | 240 | 600 | 60 |
| TC2500 | 2500 | 2700 | 1100 | 2020 | 240 | 600 | 60 |
| TC3000 | 3000 | 3200 | 1200 | 2450 | 260 | 600 | 60 |

| Function | Position ① | Position ② | Position ③ | Position ④ | Position ⑤ |
| Filter | On | Off | On | Off | Off |
| Backwash | Off | On | Off | Off | On |
| Rinse | On | Off | Off | On | Off |
| Waste | On | Off | Off | Off | On |
| Recirculate | Off | On | On | Off | Off |


